Sistema y método de caracterización distribuida de variaciones de índice de refracción de una fibra óptica
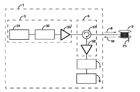
Sistema y método de caracterización distribuida de variaciones de índice de refracción de una fibra óptica. Método y sistema que permiten caracterizar las variaciones locales del índice de refracción entre distintos estados de una fibra óptica por comparación de perfiles de amplitud de una pluralidad de señales ópticas retrodispersadas generadas mediante dispersión Rayleigh por una pluralidad de señales ópticas pulsadas al propagarse por dicha fibra óptica; comprendiendo dichas señales ópticas pulsadas un perfil de frecuencia instantánea variable en el tiempo y constante entre pulsos. La invención proporciona una caracterización de alta resolución espacial, sensibilidad y velocidad, necesitando un único pulso para caracterizar un estado de la fibra óptica en lugar de recurrir a barridos de frecuencia en múltiples pulsos.







